
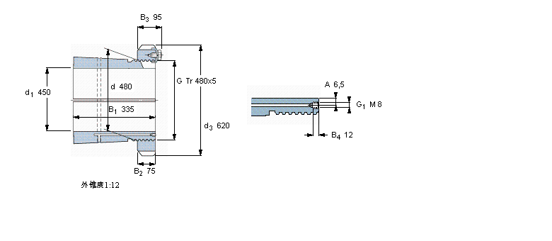
| 紧定套 | ||||||||||
|
|
||||||||||
| 尺寸 | 体积 | 型号 | ||||||||
| 紧定轴套带螺母 | 锁定螺母 | 锁定装置 | 适宜的液压 | |||||||
| d1 | d | d3 | B1 | G | 和锁紧装置 | 螺母 | ||||
|
|
||||||||||
| mm | kg | - | ||||||||
|
|
||||||||||
| 450 | 480 | 620 | 335 | Tr 480x5 | 135 | OH 3196 H | HM 3196 | MS 3196 | HMV 96 E | |
我公司特价供应以下型号产品: 7026ACD/P4A 角接触球轴承 HJ2228 圆柱滚子轴承 2206-K-TVH-C3 自调心球轴承 NU226ECP 圆柱滚子轴承 6216-Z 深沟球轴承 23284CA/W33 球面滚子轴承 NNU4922K 双列圆柱滚子轴承 6311.2ZR 深沟球轴承 67985D/20/20D 四列圆锥滚子轴承