
| 双轴承单元, PDRJ单元 | ||||||||||
|
|
||||||||||
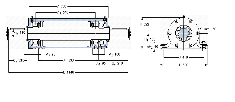
| 尺寸 | 整体轴承 | 质量 | 型号 | |||||||
| 轴承座与 | Key405 | 轴承单元 | ||||||||
| db | B | H | H1 | L | ||||||
|
|
||||||||||
| mm | - | kg | - | |||||||
|
|
||||||||||
| 110 | 1148 | 322 | 160 | 500 | NU 324 ECP | 6324/C3 | NU 324 ECP | 289 | PDRJ 324 | |
我公司特价供应以下型号产品: 22312-E1-K 调心滚子轴承 NJ211E.TVP2+HJ211E 圆柱滚子轴承 61817-ZN 深沟球轴承 6018VV 深沟球轴承 6022N 深沟球轴承 BT4B328510/HA1 圆锥滚子轴承 MF126ZZ 带法兰深沟球轴承 5795/5735 圆锥滚子轴承 HM516410 英制圆锥滚子轴承