
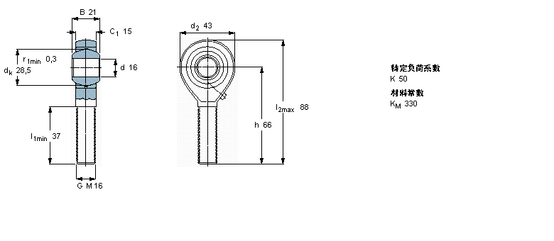
| 需要维护的杆端, 钢对青铜,阳螺纹 | |||||||||||
| 公差 , 参见文字 | |||||||||||
| 径向内部游隙 , 参见文字 | |||||||||||
|
|
|||||||||||
| 主要数据尺寸 | 角度倾的 | 基本负荷额定值 | 质量 | 型号 | |||||||
| 动态 | 静态 | 轴承座完全与 | |||||||||
| d | d2 | B | d3 | C1 | h | ± | C | C0 | |||
| 6g | |||||||||||
|
|
|||||||||||
| mm | 度数 | kN | kg | - | |||||||
|
|
|||||||||||
| 16 | 43 | 21 | M 16 | 15 | 66 | 15 | 21,6 | 23,2 | 0,21 | SAKAC 16 M | |
我公司特价供应以下型号产品: HCB71903-E-2RSD-T-P4S 主轴轴承 432314U 双列圆锥滚子轴承 IRB1022 滚针轴承内圈 6003NSE 深沟球轴承 23196BK+H3196 带紧定套的调心滚子轴承 C4028K30V+AH24028 CARB圆环滚子轴承 N321M 圆柱滚子轴承 23952-K-MB+AH3952G 调心滚子轴承 NJ2203-E-TVP2+HJ2203E 圆柱滚子轴承