
| 需要维护的杆端, 钢对钢,焊接柄 | ||||||||||
| 公差 , 参见文字 | ||||||||||
| 径向内部游隙 , 参见文字 | ||||||||||
| 
             | 
        
||||||||||
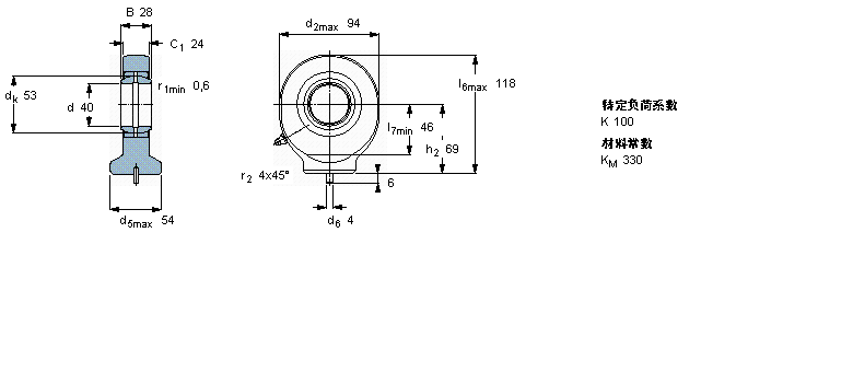
| 主要数据尺寸 | 角度倾的 | 基本负荷额定值 | 质量 | 型号 | ||||||
| 动态 | 静态 | |||||||||
| d | d2 | B | C1 | h2 | ± | C | C0 | |||
| 最大 | ||||||||||
| 
             | 
        
||||||||||
| mm | 度数 | kN | kg | - | ||||||
| 
             | 
        
||||||||||
| 40 | 94 | 28 | 24 | 69 | 7 | 100 | 134 | 1,40 | SC 40 ES | |
我公司特价供应以下型号产品: PASE1-15/16 直立式轴承座单元 S6005-2RSR 深沟球轴承 B7206-E-T-P4S 主轴轴承 09074 英制圆锥滚子轴承 232/600CAKE4 调心滚子轴承 7021C 角接触球轴承 7234B/DT 角接触球轴承 W6210-2RS1 深沟球轴承 6807D 深沟球轴承