
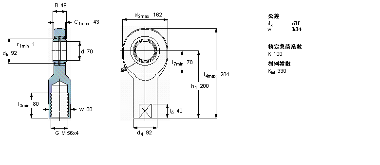
| 需要维护的杆端, 钢对钢,阴螺纹, 两面密封件 | |||||||||||
| 公差 , 参见文字 | |||||||||||
| 径向内部游隙 , 参见文字 | |||||||||||
|
|
|||||||||||
| 主要数据尺寸 | 角度倾的 | 基本负荷额定值 | 质量 | 型号 | |||||||
| 动态 | 静态 | 杆端带右或左旋螺纹 | |||||||||
| d | d2 | B | d3 | C1 | h1 | ± | C | C0 | |||
| 6H | |||||||||||
|
|
|||||||||||
| mm | 度数 | kN | kg | - | |||||||
|
|
|||||||||||
| 70 | 162 | 49 | M 56x4 | 43 | 200 | 6 | 315 | 530 | 10,5 | SILA 70 ES-2RS | |
我公司特价供应以下型号产品: GIKL6-PW 杆端轴承 SAF1309 剖分立式轴承座 NU1019 圆柱滚子轴承 7018C 角接触球轴承 27875/27820D 双外圈圆锥滚子轴承 3198/3120 单列圆锥滚子轴承 23238BKD1+H2338 调心滚子轴承 562018 双向推力角接触球轴承 02475/20 圆锥滚子轴承