
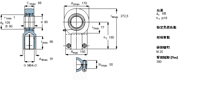
| 需要维护的杆端, 钢对钢,阴螺纹,用于液压滚筒 | |||||||||||
| 公差 , 参见文字 | |||||||||||
| 径向内部游隙 , 参见文字 | |||||||||||
|
|
|||||||||||
| 主要数据尺寸 | 角度倾的 | 基本负荷额定值 | 质量 | 型号 | |||||||
| 动态 | 静态 | 杆端带右旋螺纹 | |||||||||
| d | d2 | B | d3 | C1 | h1 | ± | C | C0 | |||
| 6H | |||||||||||
|
|
|||||||||||
| mm | 度数 | kN | kg | - | |||||||
|
|
|||||||||||
| 80 | 170 | 80 | M64x3 | 68 | 180 | 4 | 400 | 600 | 14,5 | SIQG 80 ES | |
我公司特价供应以下型号产品: HCB7013-E-T-P4S 主轴轴承 558-S/553-SA 单列圆锥滚子轴承 54222 推力球轴承 1207K 调心球轴承 CSCB065 薄截面轴承 32028X 圆锥滚子轴承 YEL210-2F Y-轴承 331776A 圆锥滚子轴承 NJ2209R+HJ2209R 圆柱滚子轴承