
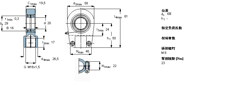
| 需要维护的杆端, 钢对钢,阴螺纹,用于液压滚筒 | |||||||||||
| 公差 , 参见文字 | |||||||||||
| 径向内部游隙 , 参见文字 | |||||||||||
|
|
|||||||||||
| 主要数据尺寸 | 角度倾的 | 基本负荷额定值 | 质量 | 型号 | |||||||
| 动态 | 静态 | 杆端带右旋螺纹 | |||||||||
| d | d2 | B | d3 | C1 | h1 | ± | C | C0 | |||
| 6H | |||||||||||
|
|
|||||||||||
| mm | 度数 | kN | kg | - | |||||||
|
|
|||||||||||
| 20 | 58 | 16 | M16x1,5 | 19,5 | 50 | 9 | 30 | 52 | 0,41 | SIR 20 ES | |
我公司特价供应以下型号产品: C3052K CARB圆环滚子轴承 BRI406028 滚针轴承 LRB324024 滚针轴承内圈 CRBH20025A 交叉滚子轴承 359S 英制圆锥滚子轴承 NNU4924S.M 圆柱滚子轴承 71916CD 角接触球轴承 23224-E1-K-TVPB 调心滚子轴承 23180-B-MB 调心滚子轴承