
| 滚子轴承立式轴承座单元, SKF ConCentra, non-locating units, radial shaft seals | ||||||||||||
|
|
||||||||||||
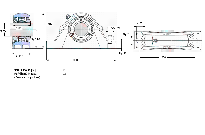
| 尺寸 | 尺寸 [英寸] | 疲劳负荷限值 | 限制速度 | 体积 | 型号 | 轴承,基本型号 | ||||||
| 动态 | 静态 | |||||||||||
| da | A | H | H1 | L | C | C0 | Pu | |||||
|
|
||||||||||||
| mm | kN | kN | r/min | kg | - | - | ||||||
|
|
||||||||||||
| 90 | 110 | 216 | 112 | 380 | 325 | 375 | 39 | 1050 | 21 | SYNT 90 LTF | 22218 E | |
我公司特价供应以下型号产品: 7213B/DF 角接触球轴承 6203ZRN 深沟球轴承 22260-K-MB+AH2260G 调心滚子轴承 61806-RS 深沟球轴承 B7205-C-T-P4S 主轴轴承 413080 双列圆锥滚子轴承 6204/HR22T2 聚合物球轴承 RNA6910 滚针轴承 UKF328;H2328X 带座外球面球轴承