
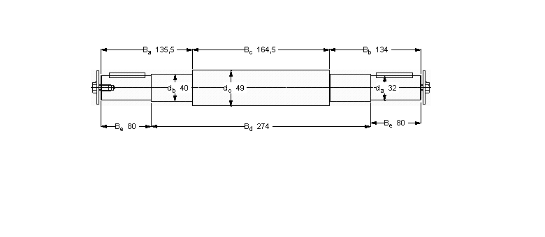
| 双轴承单元, 用PDNB单元的轴 | ||||||||||
|
|
||||||||||
| 尺寸 | 键 | 质量 | 型号 | |||||||
| da | db | Ba | Bb | Bc | Bd | Be | ||||
|
|
||||||||||
| mm | - | kg | - | |||||||
|
|
||||||||||
| 32 | 40 | 135,5 | 134 | 164,5 | 274 | 80 | 10x8x63 | 4,25 | VJ-PDNB 208 | |
我公司特价供应以下型号产品: MF126ZZ 带法兰深沟球轴承 5795/5735 圆锥滚子轴承 HM516410 英制圆锥滚子轴承 EGF15120-E40 法兰衬套 23072K.MB 调心滚子轴承 54420U 推力球轴承 RLM4530 实体滚针轴承 6205/HR11QN 聚合物球轴承 7301AC/DF 角接触球轴承