
| 深沟球轴承, 单列,不锈钢, 两面防尘罩 | ||||||||||
| 公差 , 参见文字 | ||||||||||
| 径向内部游隙 , 参见文字 | ||||||||||
| 推荐配合 | ||||||||||
| 轴和轴承座公差 | ||||||||||
|
|
||||||||||
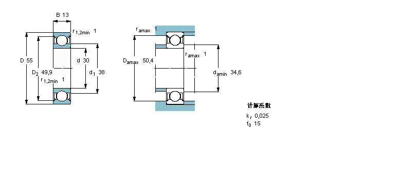
| 主要数据尺寸 | 基本负荷额定值 | 疲劳负荷限值 | 额定速度 | 体积 | 型号 | |||||
| 动态 | 静态 | 参照速度 | 限制速度 | |||||||
| d | D | B | C | C0 | Pu | |||||
|
|
||||||||||
| mm | kN | kN | r/min | kg | - | |||||
|
|
||||||||||
| 30 | 55 | 13 | 11,1 | 8 | 0,355 | 28000 | 14000 | 0,12 | W 6006-2Z | |
我公司特价供应以下型号产品: 16024 深沟球轴承 RHEY45-TV-VA 装式轴承座单元 22226AEX 球面滚子轴承 BR283820 滚针轴承 S7011DB/P7 角接触球轴承 22207CKE4 调心滚子轴承 7005AC/DT 角接触球轴承 N226M 圆柱滚子轴承 BSB045075-T 推力角接触球轴承