
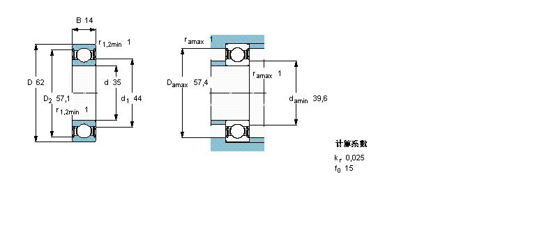
| 深沟球轴承, 单列,不锈钢, 两面密封件 | ||||||||||
| 公差 , 参见文字 | ||||||||||
| 径向内部游隙 , 参见文字 | ||||||||||
| 推荐配合 | ||||||||||
| 轴和轴承座公差 | ||||||||||
|
|
||||||||||
| 主要数据尺寸 | 基本负荷额定值 | 疲劳负荷限值 | 额定速度 | 体积 | 型号 | |||||
| 动态 | 静态 | 参照速度 | 限制速度 | |||||||
| d | D | B | C | C0 | Pu | |||||
|
|
||||||||||
| mm | kN | kN | r/min | kg | - | |||||
|
|
||||||||||
| 35 | 62 | 14 | 13,5 | 10 | 0,44 | - | 7000 | 0,16 | W 6007-2RS1 | |
我公司特价供应以下型号产品: BSB045075-T 推力角接触球轴承 NJ408MA 圆柱滚子轴承 71909CD/DF 角接触球轴承 NU1007-M1 圆柱滚子轴承 7018ADF 角接触球轴承 RMS18 深沟球轴承 NN3032 双列圆柱滚子轴承 EGB10560-E40 衬套 61809-2RZ 深沟球轴承