
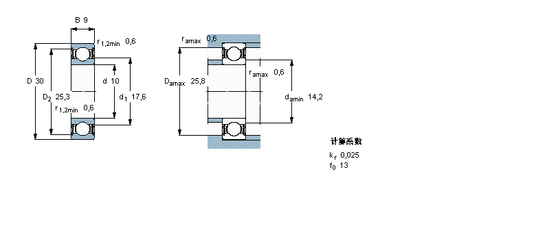
| 深沟球轴承, 单列,不锈钢, 两面密封件 | ||||||||||
| 公差 , 参见文字 | ||||||||||
| 径向内部游隙 , 参见文字 | ||||||||||
| 推荐配合 | ||||||||||
| 轴和轴承座公差 | ||||||||||
|
|
||||||||||
| 主要数据尺寸 | 基本负荷额定值 | 疲劳负荷限值 | 额定速度 | 体积 | 型号 | |||||
| 动态 | 静态 | 参照速度 | 限制速度 | |||||||
| d | D | B | C | C0 | Pu | |||||
|
|
||||||||||
| mm | kN | kN | r/min | kg | - | |||||
|
|
||||||||||
| 10 | 30 | 9 | 4,23 | 2,28 | 0,1 | - | 17000 | 0,032 | W 6200-2RS1 | |
我公司特价供应以下型号产品: AS1108 推力滚子轴承 71910FB/P7 角接触球轴承 HCB7228-C-T-P4S 主轴轴承 N310ECP 圆柱滚子轴承 CR1000360 径向轴密封件 30215JR 圆锥滚子轴承 CFS5 螺栓型滚轮滚针轴承 7916A5DT 角接触球轴承 7301BEP 角接触球轴承