
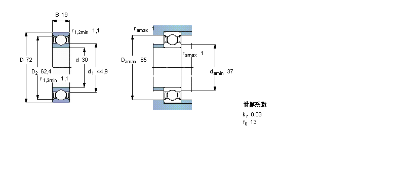
| 深沟球轴承, 单列,不锈钢, 两面防尘罩 | ||||||||||
| 公差 , 参见文字 | ||||||||||
| 径向内部游隙 , 参见文字 | ||||||||||
| 推荐配合 | ||||||||||
| 轴和轴承座公差 | ||||||||||
|
|
||||||||||
| 主要数据尺寸 | 基本负荷额定值 | 疲劳负荷限值 | 额定速度 | 体积 | 型号 | |||||
| 动态 | 静态 | 参照速度 | 限制速度 | |||||||
| d | D | B | C | C0 | Pu | |||||
|
|
||||||||||
| mm | kN | kN | r/min | kg | - | |||||
|
|
||||||||||
| 30 | 72 | 19 | 22,5 | 14,6 | 0,64 | 20000 | 11000 | 0,35 | W 6306-2Z | |
我公司特价供应以下型号产品: 7005AC/DT 角接触球轴承 N226M 圆柱滚子轴承 BSB045075-T 推力角接触球轴承 NJ408MA 圆柱滚子轴承 71909CD/DF 角接触球轴承 NU1007-M1 圆柱滚子轴承 7018ADF 角接触球轴承 RMS18 深沟球轴承 NN3032 双列圆柱滚子轴承