
| 球面滚子轴承, 剖分式 | |||||||||
| 公差 , 参见文字 | |||||||||
| 径向内部游隙 , 参见文字 | |||||||||
| 推荐配合, 参见文字 | |||||||||
| 轴和轴承座公差 | |||||||||
|
|
|||||||||
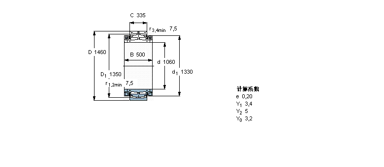
| 主要数据尺寸 | 基本负荷额定值 | 疲劳负荷限值 | 体积 | 型号 | |||||
| 动态 | 静态 | ||||||||
| d | D | B | C | C | C0 | Pu | |||
|
|
|||||||||
| mm | kN | kN | kg | - | |||||
|
|
|||||||||
| 1060 | 1460 | 500 | 335 | 11500 | 33500 | 1760 | 2470 | 321489 | |
我公司特价供应以下型号产品: 22213E 调心滚子轴承 23232-E1-K-TVPB 调心滚子轴承 SNL3152 剖分立式轴承座 7318CDT 角接触球轴承 2097 推力深沟球轴承 24040BSK30.MB 调心滚子轴承 7314DB 角接触球轴承 E2.6310-2Z/C3 深沟球轴承 SYNT100LTS 滚子轴承立式轴承座单元