
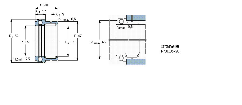
| 组合式滚针轴承, 滚针/推力球轴承 | ||||||||||||||
| 公差 , 参见文字 | ||||||||||||||
| 径向内部游隙 , 参见文字 | ||||||||||||||
| 推荐配合 | ||||||||||||||
| 轴和轴承座公差 | ||||||||||||||
|
|
||||||||||||||
| 主要数据尺寸 | 基本负荷额定值 | 疲劳负荷限值 | 最小负荷系数 | 额定速度 | 体积 | 型号 | ||||||||
| 径向 | 轴向 | 参照速度 | 限制速度 | |||||||||||
| 动态 | 静态 | 动态 | 静态 | 径向 | 轴向 | |||||||||
| Fw | D | C | C | C0 | C | C0 | Pu | Pu | A | |||||
|
|
||||||||||||||
| mm | kN | kN | - | r/min | kg | - | ||||||||
|
|
||||||||||||||
| 35 | 47 | 30 | 24,6 | 45 | 21,2 | 51 | 5,6 | 1,9 | 0,013 | 5600 | 7500 | 0,16 | NKX 35 | |
我公司特价供应以下型号产品: 23230EASK.M 调心滚子轴承 7015C/DB 角接触球轴承 BEAS012042-2Z 角接触推力球轴承 for screw drives NK47/30 滚针轴承 7222B/DF 角接触球轴承 4T-390A/394A 英制圆锥滚子轴承 LM1515 实体滚针轴承 23232RHAK+AH3232 球面滚子轴承 HR30240J 圆锥滚子轴承