
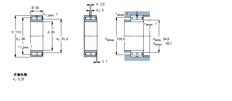
| 圆柱滚子轴承, 双列满装滚子, 无密封件, 单方向轴向负荷的挡边 | ||||||||||
| 公差 , 参见文字 | ||||||||||
| 径向内部游隙 , 参见文字 | ||||||||||
| 推荐配合 | ||||||||||
| 轴和轴承座公差 | ||||||||||
|
|
||||||||||
| 主要数据尺寸 | 基本负荷额定值 | 疲劳负荷限值 | 额定速度 | 体积 | 型号 | |||||
| 动态 | 静态 | 参照速度 | 限制速度 | |||||||
| d | D | B | C | C0 | Pu | |||||
|
|
||||||||||
| mm | kN | kN | r/min | kg | - | |||||
|
|
||||||||||
| 80 | 110 | 30 | 121 | 216 | 25 | 2600 | 3400 | 0,87 | NNCF 4916 CV | |
我公司特价供应以下型号产品: 6220-2NSL 深沟球轴承 6013-2RZ 深沟球轴承 QJ211TVP 角接触球轴承 JLM508748 英制圆锥滚子轴承 NNU4922 圆柱滚子轴承 NU338 圆柱滚子轴承 LR5205-X-2Z 滚轮 63/22-2RZ 深沟球轴承 6204-RSH 深沟球轴承