
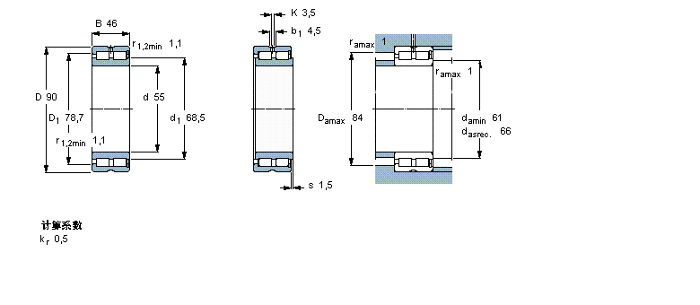
| 圆柱滚子轴承, 双列满装滚子, 无密封件, 单方向轴向负荷的挡边 | ||||||||||
| 公差 , 参见文字 | ||||||||||
| 径向内部游隙 , 参见文字 | ||||||||||
| 推荐配合 | ||||||||||
| 轴和轴承座公差 | ||||||||||
|
|
||||||||||
| 主要数据尺寸 | 基本负荷额定值 | 疲劳负荷限值 | 额定速度 | 体积 | 型号 | |||||
| 动态 | 静态 | 参照速度 | 限制速度 | |||||||
| d | D | B | C | C0 | Pu | |||||
|
|
||||||||||
| mm | kN | kN | r/min | kg | - | |||||
|
|
||||||||||
| 55 | 90 | 46 | 190 | 280 | 34,5 | 3400 | 4300 | 1,16 | NNCF 5011 CV | |
我公司特价供应以下型号产品: 22206CE4 调心滚子轴承 462A/453X 单列圆锥滚子轴承 61804-Z 深沟球轴承 317-2Z 深沟球轴承 EE671801/672873 单列圆锥滚子轴承 HK3016-2RS 开式冲压外圈滚针轴承 NJ2222ECJ 圆柱滚子轴承 7301DB 角接触球轴承 NU202-E-TVP2 圆柱滚子轴承