
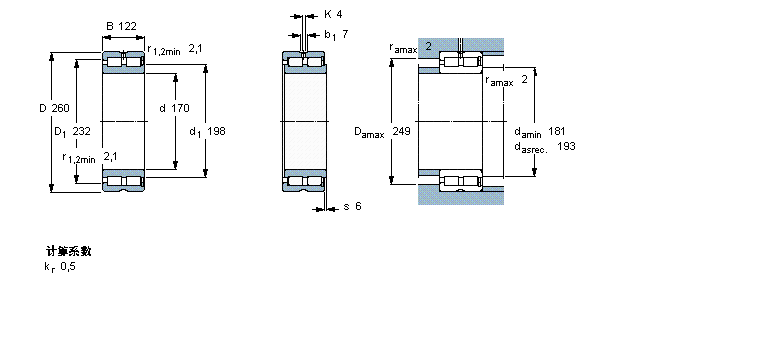
| 圆柱滚子轴承, 双列满装滚子, 无密封件, 单方向轴向负荷的挡边 | ||||||||||
| 公差 , 参见文字 | ||||||||||
| 径向内部游隙 , 参见文字 | ||||||||||
| 推荐配合 | ||||||||||
| 轴和轴承座公差 | ||||||||||
|
|
||||||||||
| 主要数据尺寸 | 基本负荷额定值 | 疲劳负荷限值 | 额定速度 | 体积 | 型号 | |||||
| 动态 | 静态 | 参照速度 | 限制速度 | |||||||
| d | D | B | C | C0 | Pu | |||||
|
|
||||||||||
| mm | kN | kN | r/min | kg | - | |||||
|
|
||||||||||
| 170 | 260 | 122 | 1230 | 2120 | 236 | 1100 | 1400 | 23,0 | NNCF 5034 CV | |
我公司特价供应以下型号产品: 23056K.MBH3056 调心滚子轴承 6408N 深沟球轴承 6315-2Z 深沟球轴承 SNL518TURU 剖分立式轴承座 SL014830 圆柱滚子轴承 6302-2RS1 深沟球轴承 6032-Z 深沟球轴承 HK0912 开式冲压外圈滚针轴承 6203-ZN 深沟球轴承