
| 圆柱滚子轴承, 双列满装滚子, 无密封件, 没有载荷支承能力 | ||||||||||
| 公差 , 参见文字 | ||||||||||
| 径向内部游隙 , 参见文字 | ||||||||||
| 推荐配合 | ||||||||||
| 轴和轴承座公差 | ||||||||||
|
|
||||||||||
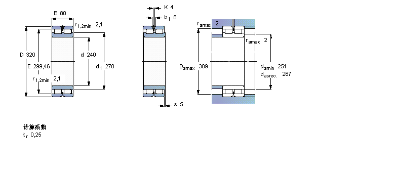
| 主要数据尺寸 | 基本负荷额定值 | 疲劳负荷限值 | 额定速度 | 体积 | 型号 | |||||
| 动态 | 静态 | 参照速度 | 限制速度 | |||||||
| d | D | B | C | C0 | Pu | |||||
|
|
||||||||||
| mm | kN | kN | r/min | kg | - | |||||
|
|
||||||||||
| 240 | 320 | 80 | 781 | 1760 | 173 | 850 | 1100 | 17,9 | NNCL 4948 CV | |
我公司特价供应以下型号产品: 61903 深沟球轴承 NJ240ECM 圆柱滚子轴承 6004-2Z 深沟球轴承 6317-RS 深沟球轴承 95KBE02 圆锥滚子轴承 SNL3136 剖分立式轴承座 BT4B331809/HA1 圆锥滚子轴承 NU1034 圆柱滚子轴承 RNAF223516 滚针轴承