
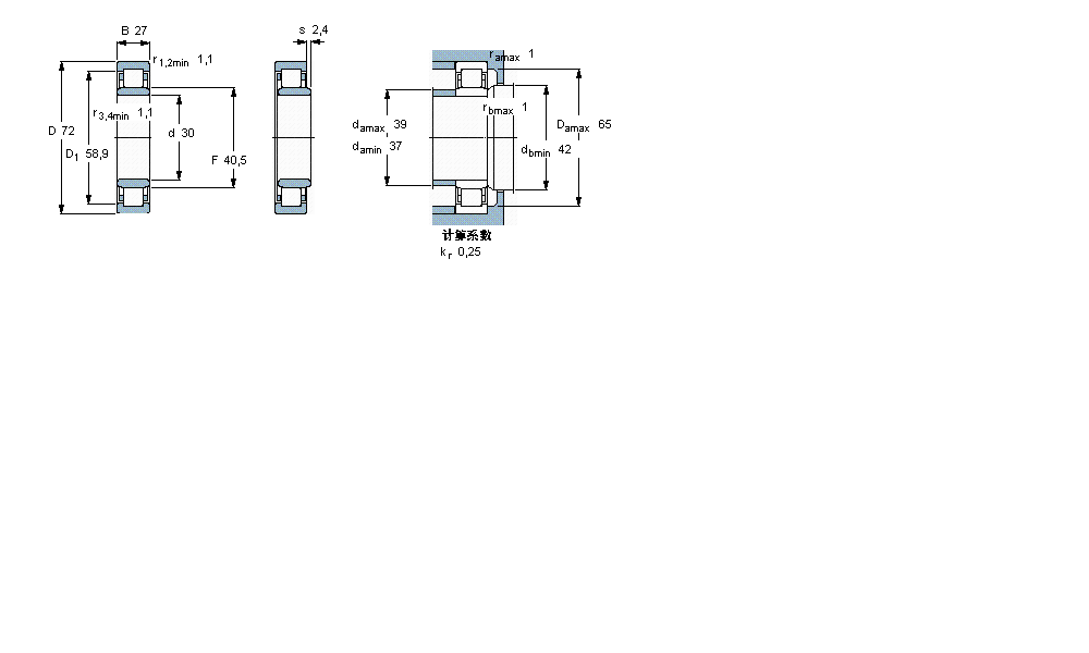
| 圆柱滚子轴承, 单列, NU 设计 | ||||||||||||
| 公差 , 参见文字 | ||||||||||||
| 径向内部间隙, 圆柱型内孔 , 圆锥型内孔, 无密封件 , 参见文字 | ||||||||||||
| 推荐配合 | ||||||||||||
| 轴和轴承座公差 | ||||||||||||
|
|
||||||||||||
| 主要数据尺寸 | 基本负荷额定值 | 疲劳负荷限值 | 额定速度 | 体积 | 型号 | 适宜的斜挡圈 | ||||||
| 动态 | 静态 | 参照速度 | 限制速度 | 型号 | ||||||||
| d | D | B | C | C0 | Pu | * - SKF Explorer 轴承 | ||||||
|
|
||||||||||||
| mm | kN | kN | r/min | kg | - | - | ||||||
|
|
||||||||||||
| 30 | 72 | 27 | 83 | 75 | 9,65 | 11000 | 19000 | 0,57 | NU 2306 ECML * | - | ||
我公司特价供应以下型号产品: 7905A5 角接触球轴承 6307/HR11QN 聚合物球轴承 53224 推力球轴承 23264-K-MB+AH3264G 调心滚子轴承 46T30328JR/115.5 圆锥滚子轴承 23076CCK/W33+OH3076H 球面滚子轴承 N1922-K-M1-SP 圆柱滚子轴承 NK50/25A 滚针轴承 6001-2RSR 深沟球轴承