
| 圆柱滚子轴承, 单列, NU 设计 | ||||||||||||
| 公差 , 参见文字 | ||||||||||||
| 径向内部间隙, 圆柱型内孔 , 圆锥型内孔, 无密封件 , 参见文字 | ||||||||||||
| 推荐配合 | ||||||||||||
| 轴和轴承座公差 | ||||||||||||
| 
             | 
        
||||||||||||
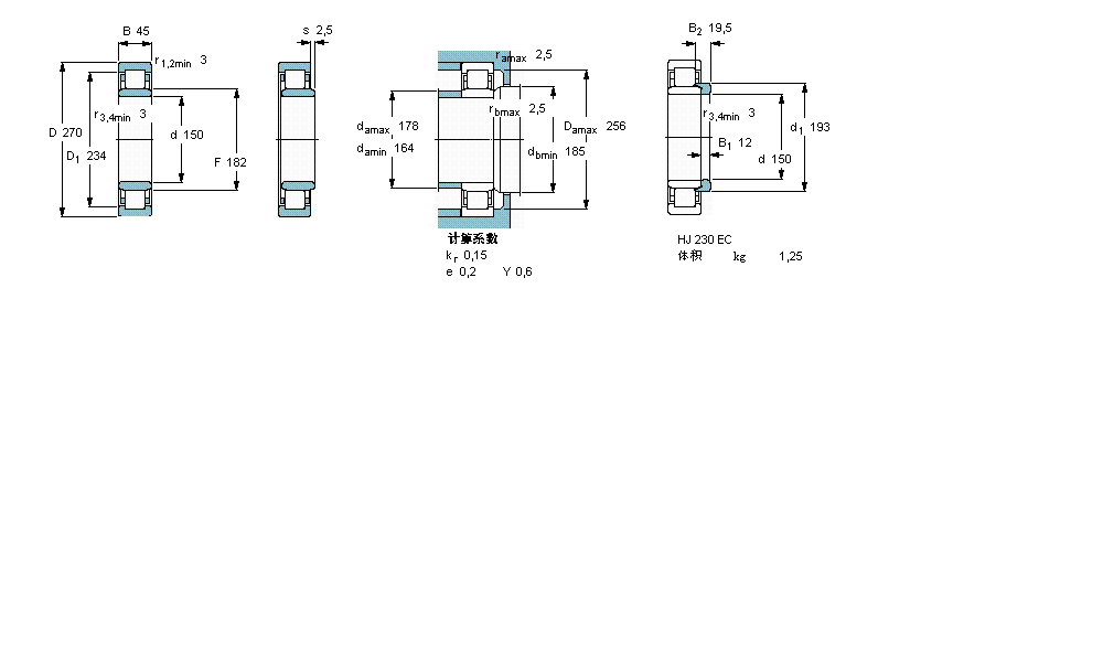
| 主要数据尺寸 | 基本负荷额定值 | 疲劳负荷限值 | 额定速度 | 体积 | 型号 | 适宜的斜挡圈 | ||||||
| 动态 | 静态 | 参照速度 | 限制速度 | 型号 | ||||||||
| d | D | B | C | C0 | Pu | * - SKF Explorer 轴承 | ||||||
| 
             | 
        
||||||||||||
| mm | kN | kN | r/min | kg | - | - | ||||||
| 
             | 
        
||||||||||||
| 150 | 270 | 45 | 510 | 600 | 64 | 2600 | 2800 | 10,3 | NU 230 ECJ * | HJ 230 EC | ||
我公司特价供应以下型号产品: NJ2232+HJ2232 圆柱滚子轴承 F-804415.ZL-K-C3 圆柱滚子轴承 234744-M-SP 推力角接触球轴承 H-25590/H-25523 圆锥滚子轴承 O-8 推力球轴承 7211AC/DF 角接触球轴承 7015CDT 角接触球轴承 NN3020 双列圆柱滚子轴承 N1010KTNHA/SP 圆柱滚子轴承