
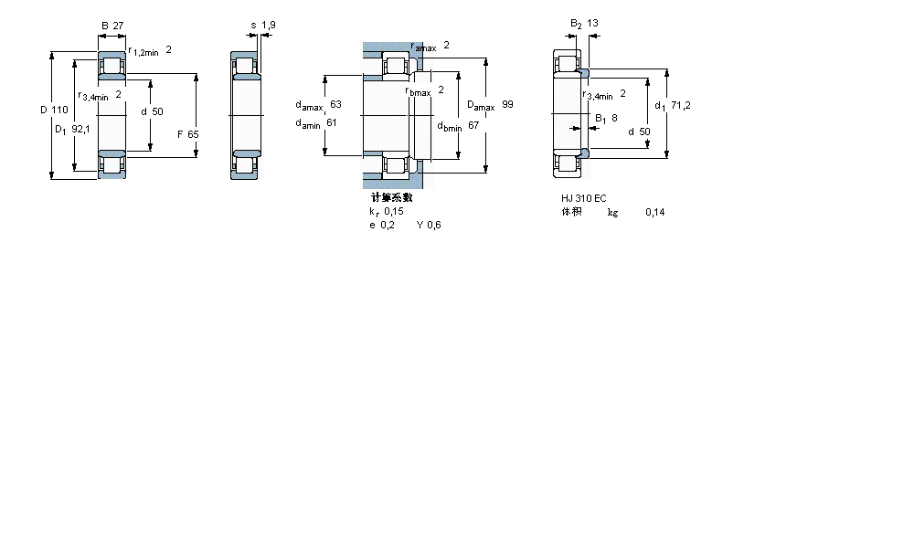
| 圆柱滚子轴承, 单列, NU 设计 | ||||||||||||
| 公差 , 参见文字 | ||||||||||||
| 径向内部间隙, 圆柱型内孔 , 圆锥型内孔, 无密封件 , 参见文字 | ||||||||||||
| 推荐配合 | ||||||||||||
| 轴和轴承座公差 | ||||||||||||
|
|
||||||||||||
| 主要数据尺寸 | 基本负荷额定值 | 疲劳负荷限值 | 额定速度 | 体积 | 型号 | 适宜的斜挡圈 | ||||||
| 动态 | 静态 | 参照速度 | 限制速度 | 型号 | ||||||||
| d | D | B | C | C0 | Pu | * - SKF Explorer 轴承 | ||||||
|
|
||||||||||||
| mm | kN | kN | r/min | kg | - | - | ||||||
|
|
||||||||||||
| 50 | 110 | 27 | 127 | 112 | 15 | 6700 | 8000 | 1,24 | NU 310 ECM * | HJ 310 EC | ||
我公司特价供应以下型号产品: 7312AC/DB 角接触球轴承 71810CD/HCP4A 角接触球轴承 PB20 直立式轴承座单元 JLM506849A/JLM506811 单列圆锥滚子轴承 LRT253032 滚针轴承内圈 5202NS 角接触球轴承 HSS71928-E-T-P4S 主轴轴承 LR202-X-2RSR 滚轮 54406U 推力球轴承