
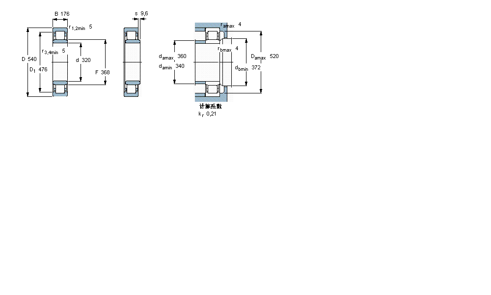
| 圆柱滚子轴承, 单列, NU 设计 | ||||||||||||
| 公差 , 参见文字 | ||||||||||||
| 径向内部间隙, 圆柱型内孔 , 圆锥型内孔, 无密封件 , 参见文字 | ||||||||||||
| 推荐配合 | ||||||||||||
| 轴和轴承座公差 | ||||||||||||
|
|
||||||||||||
| 主要数据尺寸 | 基本负荷额定值 | 疲劳负荷限值 | 额定速度 | 体积 | 型号 | 适宜的斜挡圈 | ||||||
| 动态 | 静态 | 参照速度 | 限制速度 | 型号 | ||||||||
| d | D | B | C | C0 | Pu | |||||||
|
|
||||||||||||
| mm | kN | kN | r/min | kg | - | - | ||||||
|
|
||||||||||||
| 320 | 540 | 176 | 3140 | 5400 | 450 | 1000 | 1700 | 175 | NU 3164 ECMA | - | ||
我公司特价供应以下型号产品: 7002C 角接触球轴承 61804-2Z 深沟球轴承 6221Z 深沟球轴承 NKX70-Z 滚针/推力球轴承 23028-E1A-M 调心滚子轴承 NU321E 圆柱滚子轴承 52324-MP 推力深沟球轴承 RSTO10 支撑型滚轮 685 深沟球轴承