
| 圆柱滚子轴承, 单列, NUP 设计 | ||||||||||||
| 公差 , 参见文字 | ||||||||||||
| 径向内部间隙, 圆柱型内孔 , 圆锥型内孔, 无密封件 , 参见文字 | ||||||||||||
| 推荐配合 | ||||||||||||
| 轴和轴承座公差 | ||||||||||||
|
|
||||||||||||
| 主要数据尺寸 | 基本负荷额定值 | 疲劳负荷限值 | 额定速度 | 体积 | 型号 | 适宜的斜挡圈 | ||||||
| 动态 | 静态 | 参照速度 | 限制速度 | 型号 | ||||||||
| d | D | B | C | C0 | Pu | * - SKF Explorer 轴承 | ||||||
|
|
||||||||||||
| mm | kN | kN | r/min | kg | - | - | ||||||
|
|
||||||||||||
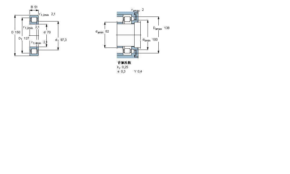
| 70 | 150 | 51 | 315 | 325 | 41,5 | 4800 | 5600 | 4,15 | NUP 2314 ECP * | - | ||
我公司特价供应以下型号产品: TLA59Z 冲压滚针轴承 4T-3187/3120 英制圆锥滚子轴承 NU1017M 圆柱滚子轴承 NU2310E 圆柱滚子轴承 7305C 角接触球轴承 EGB0404-E40 衬套 7032CDB 角接触球轴承 230/630-B-K-MB 调心滚子轴承 GIL35-DO-2RS 杆端轴承