
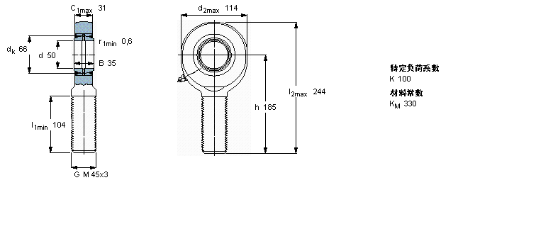
| 需要维护的杆端, 钢对钢,阳螺纹, 两面密封件 | |||||||||||
| 公差 , 参见文字 | |||||||||||
| 径向内部游隙 , 参见文字 | |||||||||||
|
|
|||||||||||
| 主要数据尺寸 | 角度倾的 | 基本负荷额定值 | 质量 | 型号 | |||||||
| 动态 | 静态 | 杆端带右或左旋螺纹 | |||||||||
| d | d2 | B | d3 | C1 | h | ± | C | C0 | |||
| 6g | |||||||||||
|
|
|||||||||||
| mm | 度数 | kN | kg | - | |||||||
|
|
|||||||||||
| 50 | 114 | 35 | M 45x3 | 31 | 185 | 6 | 156 | 245 | 3,55 | SAA 50 ES-2RS | |
我公司特价供应以下型号产品: 23968RK+AH3968 球面滚子轴承 SNL3196GL 剖分立式轴承座 23138BD1 调心滚子轴承 NU352ECMA 圆柱滚子轴承 160KBE2401+L 双列圆锥滚子轴承 6202-Z 深沟球轴承 30205A 圆锥滚子轴承 7338BDT 角接触球轴承 39250/39412 单列圆锥滚子轴承