
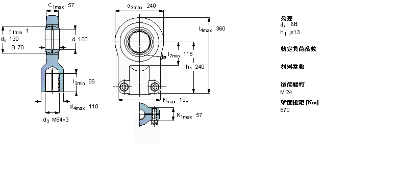
| 需要维护的杆端, 钢对钢,阴螺纹,用于液压滚筒 | |||||||||||
| 公差 , 参见文字 | |||||||||||
| 径向内部游隙 , 参见文字 | |||||||||||
| 
             | 
        
|||||||||||
| 主要数据尺寸 | 角度倾的 | 基本负荷额定值 | 质量 | 型号 | |||||||
| 动态 | 静态 | 杆端带右旋螺纹 | |||||||||
| d | d2 | B | d3 | C1 | h1 | ± | C | C0 | |||
| 6H | |||||||||||
| 
             | 
        
|||||||||||
| mm | 度数 | kN | kg | - | |||||||
| 
             | 
        
|||||||||||
| 100 | 240 | 70 | M64x3 | 57 | 240 | 3 | 610 | 780 | 26,0 | SIJ 100 ES | |
我公司特价供应以下型号产品: 32028X 圆锥滚子轴承 YEL210-2F Y-轴承 331776A 圆锥滚子轴承 NJ2209R+HJ2209R 圆柱滚子轴承 7200C/DT 角接触球轴承 NU2212ET 圆柱滚子轴承 7201CDB 角接触球轴承 LFR5302-10-2Z 外径带修形的滚轮 22313BK+AH2313 带推卸套的调心滚子轴承