
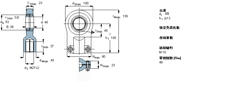
| 需要维护的杆端, 钢对钢,阴螺纹,用于液压滚筒 | |||||||||||
| 公差 , 参见文字 | |||||||||||
| 径向内部游隙 , 参见文字 | |||||||||||
|
|
|||||||||||
| 主要数据尺寸 | 角度倾的 | 基本负荷额定值 | 质量 | 型号 | |||||||
| 动态 | 静态 | 杆端带右旋螺纹 | |||||||||
| d | d2 | B | d3 | C1 | h1 | ± | C | C0 | |||
| 6H | |||||||||||
|
|
|||||||||||
| mm | 度数 | kN | kg | - | |||||||
|
|
|||||||||||
| 40 | 100 | 28 | M27x2 | 23 | 105 | 3 | 100 | 146 | 2,30 | SIJ 40 ES | |
我公司特价供应以下型号产品: 6318/C3VL0241 深沟球轴承 4212ATN9 深沟球轴承 E32213J 圆锥滚子轴承 N313 圆柱滚子轴承 47T564131 四列圆锥滚子轴承 62203-2RSR 深沟球轴承 YAR204-2FW/VA201 Y-轴承 NUP2211ECML 圆柱滚子轴承 HCB7013-E-T-P4S 主轴轴承