
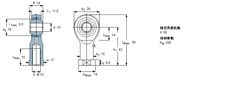
| 需要维护的杆端, 钢对青铜,阴螺纹 | |||||||||||
| 公差 , 参见文字 | |||||||||||
| 径向内部游隙 , 参见文字 | |||||||||||
|
|
|||||||||||
| 主要数据尺寸 | 角度倾的 | 基本负荷额定值 | 质量 | 型号 | |||||||
| 动态 | 静态 | 轴承座完全与 | |||||||||
| d | d2 | B | d3 | C1 | h1 | ± | C | C0 | |||
| 6H | |||||||||||
|
|
|||||||||||
| mm | 度数 | kN | kg | - | |||||||
|
|
|||||||||||
| 10 | 29 | 14 | M 10 | 11,5 | 43 | 13 | 10 | 12,2 | 0,079 | SIKAC 10 M | |
我公司特价供应以下型号产品: E-CRO-4014 四列圆锥滚子轴承 6219N 深沟球轴承 HFL1226 冲压外圈滚柱离合器 6311Z 深沟球轴承 KM22 带锁定垫圈的KM(L)和HM锁定螺母 7300B/DB 角接触球轴承 NJ213 圆柱滚子轴承 NKXR25 组合式滚针轴承 NJ413ECM 圆柱滚子轴承