
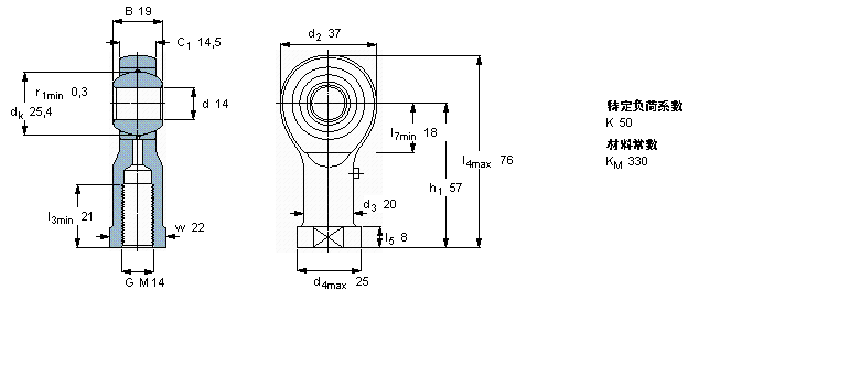
| 需要维护的杆端, 钢对青铜,阴螺纹 | |||||||||||
| 公差 , 参见文字 | |||||||||||
| 径向内部游隙 , 参见文字 | |||||||||||
|
|
|||||||||||
| 主要数据尺寸 | 角度倾的 | 基本负荷额定值 | 质量 | 型号 | |||||||
| 动态 | 静态 | 轴承座完全与 | |||||||||
| d | d2 | B | d3 | C1 | h1 | ± | C | C0 | |||
| 6H | |||||||||||
|
|
|||||||||||
| mm | 度数 | kN | kg | - | |||||||
|
|
|||||||||||
| 14 | 37 | 19 | M 14 | 14,5 | 57 | 15 | 17 | 20,4 | 0,18 | SIKAC 14 M | |
我公司特价供应以下型号产品: NJ213 圆柱滚子轴承 NKXR25 组合式滚针轴承 NJ413ECM 圆柱滚子轴承 775/772 单列圆锥滚子轴承 MFJ-3526 冲压外圈滚针轴承 TCJ45 轴承座单元 NBX3030Z 组合滚针轴承 NJ412+HJ412 圆柱滚子轴承 61813-2Z 深沟球轴承