
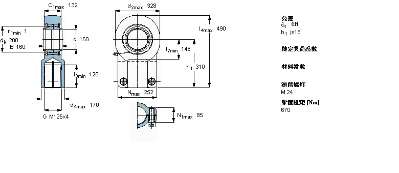
| 需要维护的杆端, 钢对钢,阴螺纹,用于液压滚筒 | |||||||||||
| 公差 , 参见文字 | |||||||||||
| 径向内部游隙 , 参见文字 | |||||||||||
|
|
|||||||||||
| 主要数据尺寸 | 角度倾的 | 基本负荷额定值 | 质量 | 型号 | |||||||
| 动态 | 静态 | 杆端带右旋螺纹 | |||||||||
| d | d2 | B | d3 | C1 | h1 | ± | C | C0 | |||
| 6H | |||||||||||
|
|
|||||||||||
| mm | 度数 | kN | kg | - | |||||||
|
|
|||||||||||
| 160 | 328 | 160 | M125x4 | 132 | 310 | 4 | 1370 | 2200 | 81,0 | SIQG 160 ES | |
我公司特价供应以下型号产品: NJ2209R+HJ2209R 圆柱滚子轴承 7200C/DT 角接触球轴承 NU2212ET 圆柱滚子轴承 7201CDB 角接触球轴承 LFR5302-10-2Z 外径带修形的滚轮 22313BK+AH2313 带推卸套的调心滚子轴承 BS2-2211-2CSK/VT143 球面滚子轴承 T4DB160 圆锥滚子轴承 PCZ1616B 复合干滑动轴套