
| 双轴承单元, 用PDNB单元的轴 | ||||||||||
|
|
||||||||||
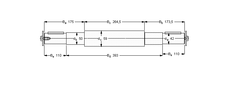
| 尺寸 | 键 | 质量 | 型号 | |||||||
| da | db | Ba | Bb | Bc | Bd | Be | ||||
|
|
||||||||||
| mm | - | kg | - | |||||||
|
|
||||||||||
| 42 | 50 | 175 | 173,5 | 264,5 | 393 | 110 | 12x8x80 | 9,85 | VJ-PDNB 310 | |
我公司特价供应以下型号产品: 23072K.MB 调心滚子轴承 54420U 推力球轴承 RLM4530 实体滚针轴承 6205/HR11QN 聚合物球轴承 7301AC/DF 角接触球轴承 2222K.M.C3 调心球轴承 54322MP+U322 推力球轴承 28985/28920 单列圆锥滚子轴承 7211CD/P4A 角接触球轴承