
| 双轴承单元, 用PDNB单元的轴 | ||||||||||
|
|
||||||||||
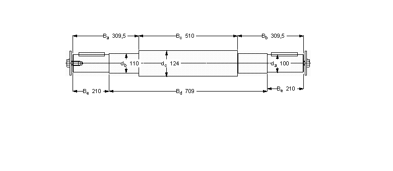
| 尺寸 | 键 | 质量 | 型号 | |||||||
| da | db | Ba | Bb | Bc | Bd | Be | ||||
|
|
||||||||||
| mm | - | kg | - | |||||||
|
|
||||||||||
| 100 | 110 | 309,5 | 309,5 | 510 | 709 | 210 | 28x16x180 | 87,5 | VJ-PDNB 322 | |
我公司特价供应以下型号产品: 7307BDB 角接触球轴承 PMEY50-N 轴承座单元 7318B.O 角接触球轴承 23140BK+AH3140 带推卸套的调心滚子轴承 6309RU 深沟球轴承 7003C 角接触球轴承 E-625980 四列圆锥滚子轴承 22316-E1 调心滚子轴承 F683AZZ 带法兰深沟球轴承